|
Thông tin chi tiết sản phẩm:
|
| Name: | micro metal gear motor | Usage: | door lock,bicycle,Fan,Home Appliance |
|---|---|---|---|
| Speed(rpm): | 6-1200rpm | Torque: | 2.8-48kg.cm |
| Voltage(v): | 12V/24V |
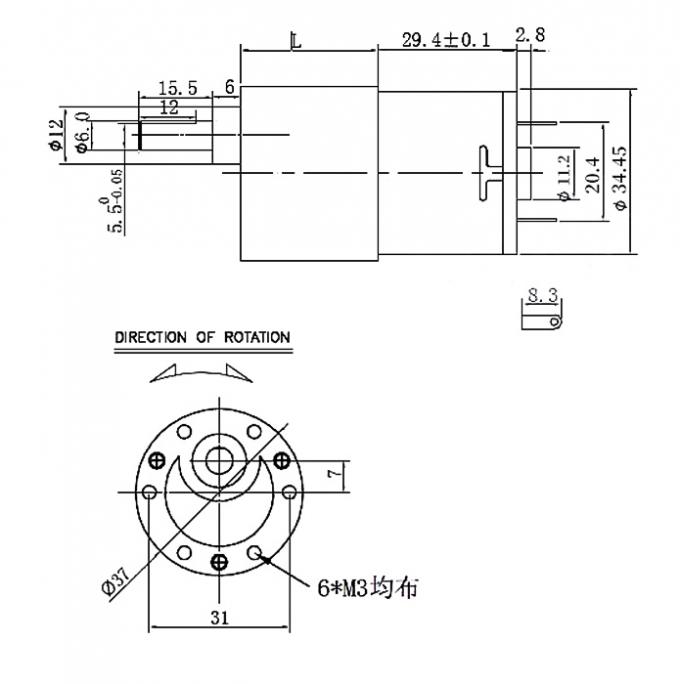
Động cơ giảm tốc JGB37-3429 được sử dụng rộng rãi trong các loại xe hai bánh tự cân bằng thông minh, xe theo dõi thông minh, thiết bị gia dụng thông minh, robot, cần điều khiển camera, máy cắt băng điện.
[Đường kính ngoài] ∮37mm Chiều dài Chiều dài khác nhau tùy theo các thông số khác nhau
[Chiều dài trục] 21mm Chiều dài D 12mm
[Đường kính] Đường kính 6mm Trục D
[Điện áp] 3-24v
[Hệ số hình thức]
[Thông số hiệu suất] có thể tùy chỉnh



Người liên hệ: Mrs. Maggie
Tel: 15818723921
Fax: 86--29880839